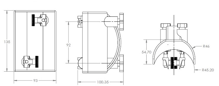
FUSE CARRIER / HOLDER 'FOR J TYPE FUSE LINK' – 92 MM

FUSE CARRIER / HOLDER 'FOR J TYPE FUSE LINK' – 92 MM

Specification

Product Name:

Fuse Carrier / Holder ‘ For J Type Fuse Link’ – 92 MM

Rated Current:

200 , 400 & 630 Amp (Options are available)

Rated Voltage:

415 Volt A.C

Type:

‘J’ TYPE

Utilization Category:

‘gG’

Rated Breaking Capacity:

80 KA at 415 Volt A.C

Poles:

1 Pole

Test Specification:

BS 88-1/IEC 60269-1 and BS 88-2/IEC 60269-2

Electrical Tracking Resistance :

>600 (CTI)

Material Used:

DMC (BODY)

BRASS (CLAMPS)

BIG HEAD SCREW (MS IRON)

KNOB (BAKELITE MOULDED) WITH MS IRON ROD

Material : HIGH QUALITY D.M.C MATERIAL